歡迎來到江蘇安科瑞電器制造有限公司!
服務熱線:18795630583
產品分類
Cassification
更新時間:2025-02-05
瀏覽次數:485摘 要:35kV變電站的日常運維需要大量的人力物力,通常35kV變電站會設有變電站綜自自動化系統與低壓電力監控系統,多套系統應用造成運維人員的負擔,而Acrel-EMS企業微電網能效管理平臺集測量、控制、保護及通信等功能于一身,正是解決運維資源嚴重不足現狀的出路,針對不同硬件設備管理監控的需求,Acrel-EMS企業微電網能效管理平臺可以對規約進行現場實時添加,從而簡化變電站二次接線并切實降低運維成本,推廣和應用價值。
關鍵詞:35kV變電站;變電站綜合自動化系統;Acrel-EMS;企業微電網能效管理平臺
1.概述
該食品加工廠變電站工程規模:電壓等級:35/10.5kV,規劃主變容量1×6.3MVA+1臺8MVA。有一個總配電室,包括35kV開關柜、10kV開關柜和0.4kV配電柜,兩個獨立變壓器室,變壓器為干式變壓器。35kV供電系統采用單母線接線,共有4面高壓開關柜,進線1回,變壓器出線2回,PT間隔1回。10kV供電系統采用單母線分段系統,進線2回,電容器間隔2回,站用變間隔2回,PT間隔2回,分段間隔2回,出線8回。共有18面高壓開關柜。
根據用戶配電系統管理需求,需要對35kV開關柜、10kV開關柜、35kV/10kV主變、交直流系統等進行全方面監控與保護,及時發現故障故障,保證配電系統可靠運行。
結合用戶實際生產工藝要求,為實現本項目35kV變電站的監控與管理,在35kV和10kV配電回路中配置AM5SE系列進線保護、主變保護及各種出線保護裝置;在總進線處配置APView500電能質量在線監測裝置;在每面高壓開關柜配置ASD200開關柜智能操控裝置和AMC96L-E4多功能儀表;在0.4kV各配電回路中配置一只AMC96L-E4多功能儀表。
在電氣監控室配置一套Acrel-1000變電站綜合自動化系統監控屏和一套Acrel-2000Z電力監控系統監控屏,通過通信管理機及網絡交換機實時采集微機保護裝置、電能質量等二次設備數據,實現整個廠區供配電系統的電力監控與自動化管理。并配置一套電源系統,為整個變電站的斷路器、二次設備及監控主機等重要設備運行提供穩定可靠的電源。同時利用Acrel-EMS企業微電網能效管理平臺匯總Acrel-1000變電站綜合自動化系統與Acrel-2000Z電力監控系統平臺數據,同時進行web發布與手機APP訪問,減少運維人員運維巡檢工作,豐富的能效分析可以方便運維人員排查能耗問題。

圖1 食品加工廠現場圖

圖2 食品加工廠35kV變電站平面布局圖
2.系統結構
AcrelEMS企業微電網能效管理平臺,采用B/S架構,集成Acrel-1000變電站綜合自動化系統與Acrel-2000Z電力監控系統,企業微電網能效管理平臺實現了從35kV配電到0.4kV用電側的整體監控,提供變電站綜自系統,電力監控,電能質量監測,電氣保護,電能統計。對企業的用電管理起到的幫助。
系統功能需求:
變電站綜自系統:通過一次系統圖監測企業35kV中高壓側用電情況,數據均實時刷新。
電力監控:監測企業0.4kV低壓側用電情況,提供配電室監測,無功補償柜監測,電力報表等功能。
電能質量:提供電能質量檢測儀的穩態監測,諧波頻譜,穩態曲線,諧波曲線,SOE事件等參數。
電能統計:提供用電集抄,用電統計,分時段用電統計,用電同環比分析,分組用電統計等功能。
變電站綜合自動化系統是指:通過執行規定功能來實現某一給定目標的一些相互關聯單元的組合,變電站綜合自動化系統是利用先進的計算機技術、現代電子技術、通信技術和信息處理技術等實現對變電站二次設備的功能進行重新組合、優化設計,對變電站全部設備的運行情況執行監視、測量,并將主要數據上傳至地方調度平臺,同時接受調度端的調控指令,實現站內功率調節。
變電站綜合自動化系統、電力監控系統均可可分為三層結構:即現場設備層、網絡通訊層和平臺管理層。
現場設備層:包含微機保護、智能操控、多功能儀表、計量表等設備,用于采集站內配電柜內電氣運行參數、開關狀態、電氣接點溫度等數據,同時分別在35kV變電站和10kV變電所配置多套直流電源,保障現場設備良好的運行環境。
網絡通訊層:包含ANet-2E8S智能網關。網關主動采集現場設備層設備的數據,并可進行規約轉換,數據存儲,分散10kV變電站通過數據采集箱(內置智能網關)采集數據通過光纖上傳至通信室變電站綜合自動化監控系統平臺;同時網關充當遠動通信裝置,將現場設備數據采集后通過交換機經縱向加密數據加密后上傳調度網。
平臺管理層:變電站綜合自動化監控系統平臺、電力監控系統平臺、企業微電網能效管理平臺。

圖3 監控系統網絡結構圖
3.解決方案
3.1方案綜述
本項目本次工程在35kV、10kV配電系統中配置AM5SE系列微機保護裝置,其中35kV主變配置整套主變保護屏,實現主變的差動保護、后備保護、非電量保護及主變溫度監測;35kV其他回路及10kV各回路就地配置AM5SE系列微機保護裝置。

圖4 35kV開關柜現場圖

圖5 10kV開關柜現場圖
在電氣監控室配置一套電源系統,為整個變電站的斷路器、二次設備及監控主機等重要設備運行提供穩定可靠的電源。
在電氣監控室配置一面時鐘同步屏,實現變電站內所有微機保護裝置的時鐘同步。
在電氣監控室配置一面公用測控屏,實現變電站內總進線電能質量監測;35kV側母線電壓/10kV側站用變電壓等模擬量遙測;微機保護裝置異常信號等遙信。
在電氣監控室配置一套變電站綜合自動化系統,通過通訊管理機實現變電站綜合自動化監控與管理。
在電氣監控室配置一套微機五防監控系統,在35kV及10kV開關柜內配置機械五防鎖具及電氣五防鎖具,通過五防系統實現對全站設備的五防操作閉鎖功能。在五防工作站上進行操作預演,檢驗、打印和傳輸操作票,并對一次設備實施五防強制閉鎖。
在電氣監控室配置一面計量屏,實現站內的總電能計量與主變電能計量。

圖6 電氣監控室屏柜布置效果圖
35kV變電所1座,區域變電所3座,35kV變電所為獨立二層建筑物,其中一層為35kV開關室、35kV變壓器室、10kV開關室,二層為10kV變壓器及0.4kV開關室、通信室。區域變電所為裝置樓一層獨立區域,配置10kV開關柜、變壓器及0.4kV低壓柜。
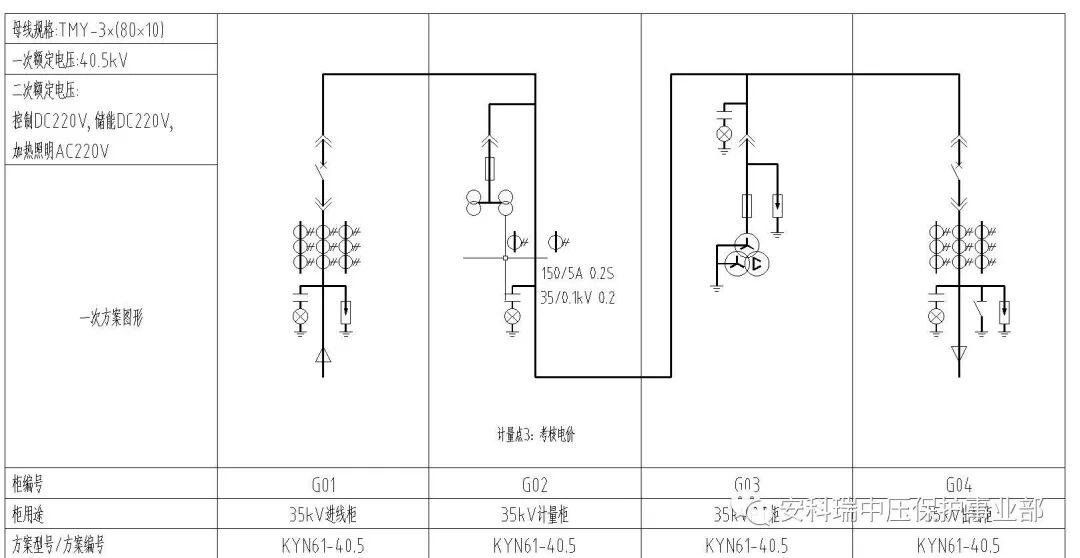
35kV變電所內35kV開關室一次系統圖如圖1所示,共有4面開關柜,分別為:1面進線柜、1面出線柜、1面計量柜、1面PT柜。

圖3 35kV開關室一次系統圖
35kV變電所內10k開關室一次系統圖如圖2所示,共有16面開關柜、其中2面10kV進線柜、9面變壓器出線柜(含備用出線柜3面)、1面母聯柜、1面隔離柜、2面PT柜、1面計量柜。

圖4 10kV開關室一次系統圖

圖5 各分散10kV變電所進線柜一次系統圖
3.2功能需求
3.2.1 35kV監控保護方案
1)35kV進線保護:
35kV進線柜配置一臺線路保護AM5SE-F,當回路故障時,用于跳開本柜斷路器,切斷故障。
2)35kV/10kV 主變壓器保護:
本項目共有1#、2#兩面35kV主變壓器出線柜,采用整套主變保護裝置集中組屏方式,配置2臺主變保護屏。屏柜設立在電氣監控室,每面屏柜上裝設1臺差動保護裝置AM5SE-D2、1臺高后備保護裝置AM5SE-TB、1臺低后備保護裝置AM5SE-TB、1臺高側測控裝置AM5SE-K、1臺低側測控裝置AM5SE-K、1只變壓器溫控儀ARTM-8及轉換開關、壓板、空氣開關等其他控制設備。
差動保護裝置:作為主變壓器內部及引出線短路故障的主保護,動作后跳主變壓器高低兩側斷路器;
高后備保護裝置:作為35kV側的后備保護以及變壓器的非電量保護,動作后跳主變壓器高低兩側斷路器;
低后備保護裝置:作為10kV側的后備保護,動作后跳主變壓器高低兩側斷路器;
高側測控裝置:用于監測35kV側測量電流、測量電壓;
低側測控裝置:用于監測10kV側測量電流、測量電壓;
變壓器溫控器:監測主變壓器內部繞組溫度;

3)35kV PT保護:
PT柜配置一臺PT并列及監測裝置AM5SE-UB,實現PT監測功能,當回路電壓出現異常時,及時發出告警信號。
4)35kV開關柜綜合測控
35kV各開關柜配置一臺智能操控裝置ASD200,實現高壓開關柜內刀閘狀態、溫濕度等綜合測控。
3.2.2 10kV監控保護方案
1)10kV進線保護:
10kV進線柜各配置一臺線路保護AM5SE-F,當回路故障時,用于跳開本柜斷路器,切斷故障。
2)10kV出線保護:
10kV出線柜各配置一臺線路保護AM5SE-F,當回路故障時,用于跳開本柜斷路器,切斷故障。
3)10kV變壓器柜保護:
10kV變壓器柜各配置一臺變壓器保護裝置AM5SE-T,當回路故障時,用于跳開本柜斷路器,切斷故障。
4)10kV電容器保護:
10kV電容器柜配置一臺電容器保護裝置AM5SE-C,當回路故障時,用于跳開本柜斷路器,切斷故障。
5)10kV母聯保護
母聯柜配置一臺備自投保護裝置AM5SE-B,用于實現兩進線和母聯之間的自動投切(進線備自投/母聯備自投/聯切備自投/自適應備自投),同時實現母聯保護功能。
6)10kV PT監測
PT柜配置一臺PT監測并列裝置AM5SE-UB,實現兩臺PT柜間的切換以及監測,當回路電壓出現異常時,及時發出告警信號。
7)10kV開關柜綜合測控
10kV各開關柜配置一臺智能操控裝置ASD200,實現高壓開關柜內刀閘狀態、溫濕度等綜合測控。
8)AMC96多功能表
10V各開關柜配置一只多功能儀表AMC96L-E4,實時監測各開關柜電流、電壓等電參量。
3.3 0.4kV配電室監控方案
0.4kV配電柜共配置AMC96L-E4儀表35只,AMC72L-E4儀表76只。0.4kV電力監控系統通過接入以上AMC系列多功能電力儀表,實現對0.4kV配電回路的數據采集、運行監視、電能計量功能。
3.4 微機五防閉鎖方案
針對35kV及10kV開關柜,每臺斷路器配置五防電氣鎖1把,每個手車包含斷路器手車、PT手車、隔離手車配置手車閉鎖套件1套,按手車數量的2倍配置柜內閉鎖套件,每個接地刀與隔離刀配置接地刀閉鎖套件1套,配置接地頭(按柜子數量的一半配置)。五防解鎖鑰匙4把、充電器2個、電腦鑰匙2把、微機五防主機1臺、微機五防軟件一套。
3.5 時鐘同步方案
配置時鐘同步裝置ATS1200GB一臺,置在電氣監控室時鐘同步屏,時鐘源支持GPS和北斗。監控系統、通訊管理機和微機保護裝置均從該裝置獲得授時(對時)信號,保證I/O數據采集單元的時間同步達到1ms精度要求。當時鐘失去同步時,自動告警并記錄事件,當時鐘失去電源時,自動生成告警信號。監控系統設備采用NTP對時方式,微機保護裝置對時接口采用IRIG-B對時方式。

3.6公共測控方案
配置公用測控屏一面,放置AM5SE-K公共測控裝置2臺和APView500電能質量監測裝置1臺。2臺AM5SE-K分別采集站內35kV側母線電壓/10kV側站用變電壓、各微機保護裝置異常信號;并預留遙控出口各4路。并配置一臺電能質量監測裝置APView500,監測電能質量如電壓諧波與不平衡/電壓偏差/頻率偏差/電壓波動與閃變等穩態數據、電壓暫升/暫降/短時中斷暫態數據,當檢測到電能質量異常時,觸發故障錄波與數據記錄,為后續的電能質量分析提供數據支撐。

3.7 電源方案
本項目針對配電室內監控設備的提供電源,具體配置方案如下:
直流柜GZDWJM-100/200-M、蓄電池柜、UPS電源柜、交流屏、交流饋線柜、事故照明柜、直流電源屏GZDWJM-40/110-M(1套1屏)各一面。為整個變電站的斷路器、二次設備及監控主機等重要設備運行提供穩定可靠的電源。
3.8變電所綜合自動化系統方案
設置35-10kV變電所綜合自動化監控屏1面,通訊管理機2臺,遠動裝置1臺。實現35kV及10kV開關柜微機保護裝置、測控裝置、直流屏及其它智能設備的數據采集。實現變電站的遙測、遙信、遙控、報警、報表、操作票、防誤操作等相關功能實現變電站內數據采集與實時監控。單網組網方式,實現變電站內數據采集與實時監控。單網組網方式,實現變電站內數據采集與實時監控。

3.9計量屏方案
本項目計量屏配置一只DTZ1296三相四線制,有功0.2S,無功2.0, 3×57.7/100V,3×1.5(6)A電度表用于進線處計量,兩只DTZ1296三相四線制,有功0.2S,無功2.0, 3×57.7/100V,3×1.5(6)A電度表用于主變處計量,一臺FKGA23型專變采集終端(帶以太網口,4G通訊),通過電采集終端將電度表數據上傳至調度平臺和監控系統。
3.10遠動通信方案
在電氣監控室配置一面調度數據網屏,配置II型網絡監測裝置PSSEM-2000S、路由器AR6140-S、交換機SG1528A-S2-24T-ST、NetKeeper-2000(百兆型)縱向加密認證裝置(百兆型),通過專用通道點對點方式以及站內的數據網接入設備向各級調度傳送遠動信息。
3.11 0.4kV電力監控屏
設置0.4kV電力監控屏1面。對低壓多功能儀表進行數據采集。實現低壓多功能儀表的遙測、遙信、遙控、報警、報表等相關功能實現變電站內數據采集與實時監控。實現供配電系統在運行過程中的數據采集、運行監視、事故記錄和分析、繼電保護等,完成企業的供電、用電管理和運行管理。
?遙測量

3.12配置設備方案
表1 我司提供方案設備列表





4.系統功能
4.1.實時監測
4.1.1綜合看板
系統提供低壓配電監測大面板,提供變電站和光伏電站運行情況展示,通過地圖顯示各電站具體位置,并展示目前告警數目和具體信息。
?地圖支持放大縮小且響應迅速。
?報警信息支持輪播功能。

4.1.2 35kV配電系統
系統提供35kV/10kV一次系統圖展示全站電氣主接線圖(支持縮放方式)包括顯示設備運行狀態、各主要電氣量(電流、電壓、頻率、有功、無功)等的實時值。

圖 35kV變電站綜合自動化系統界面圖
4.1.3變電所運行看板
展示單個變電站運行狀況,并提供系統一次圖。
變電站基礎信息維護,包括變壓等級,裝機容量,申報需量,變壓器數量等。
?提供變電所實時負荷曲線查詢,數據實時刷新。
?提供變電站分時段用電今日昨日對比柱狀圖。
?提供低壓側系統一次圖,數據實時刷新。

圖 企業微電網能效管理平臺變電所運行看板界面圖
4.1.4直流屏監測
提供直流屏遙測數據,一/二路交流電壓監測。

圖 企業微電網能效管理平臺直流屏監測界面圖
4.1.5 變壓器監測
展示所選變壓器實時負載率,頻率,三相電壓電流,三相繞組溫度,電壓/電流不平衡度。提供負載率、有功功率、無功功率曲線。如圖7.3.6所示。
?數據實時刷新,響應迅速。
?支持三相功率曲線同時展示。

圖 企業微電網能效管理平臺變壓器監測界面圖
4.1.6電能質量穩態監測
提供電能質量檢測儀所采集數據,如電壓值,偏差率,諧波畸變率,電流值,分相功率,總功率等。如圖7.4.2所示。
數據實時刷新,響應迅速。

圖 企業微電網能效管理平臺電能質量穩態檢測界面圖
4.1.7電能質量諧波監測
通過柱狀圖展示電能質量檢測儀諧波和間諧波各頻譜。如圖7.4.3所示。

圖 企業微電網能效管理平臺電能質量諧波檢測界面圖
4.2數據采集和存儲
4.2.1數據采集和處理

圖 數據采集界面圖
監控系統通過通信管理機實時采集模擬量、狀態量等信息量;通過公共接口設備接受來自其他通信裝置的數據,具有單獨配置通信采集點信息的模塊,不與數據庫等其它部分相關聯,并獨立運行。
對所采集的實時信息進行數字濾波、性檢查,工程值轉換、信號接點抖動、刻度計算、人工置入等加工。從而提供電流、電壓、有功功率、無功功率、功率因數等各種實時數據,并將這些實時數據帶品質描述傳送至站控層和各級調度。
4.2.2數據庫的建立與維護

圖 數據庫建立與維護界面圖
數據庫分為實時數據庫和歷史數據庫,實時數據庫存儲監控系統采集的實時數據,其數值根據運行工況的實時變化而不斷更新,記錄被監控設備的當前狀態;歷史數據庫對于需要長期保存的重要數據將存放在歷史數據庫中。提供通用數據庫,記錄周期為1min、5min、30min、60min任意調節。歷史數據實現在線滾動存儲5年,無需人工干預。所有的歷史數據轉存到光盤或磁帶等大容量存儲設備上作為長期存檔。對于狀態量變位、事件、模擬量越限等信息,按時間順序分類保存在歷史事件庫中,并保存10年,以供查詢。
4.3調節與控制

圖 變電站綜自系統調節與控制界面圖
操作員對需要控制的電氣設備進行控制操作。監控系統具有操作監護功能,允許監護人員在操作員工作站上實施監護,避免誤操作。
原則上間隔層控制和設備就地控制作為后備操作或檢修操作手段。為防止誤操作,在任何控制方式下都需采用分步操作,即選擇、返校、執行,并在站級層設置操作員、監護員口令及線路代碼,以確保操作的性和正確性。對任何操作方式,保證只有在上一次操作步驟完成后,才進行下一步操作。同一時間只允許一種控制方式。
納入控制的設備有:
a) 35kV及以下斷路器;
b) 35kV及以下隔離開關及帶電動機構的接地開關;
c) 站用電380V斷路器;
d) 主變壓器分接頭;
e)繼電保護裝置的遠方復歸及遠方投退連接片。
4.4 微機五防閉鎖

圖 變電站綜自系統微機五防界面圖
具備全站五防閉鎖功能。具有防止誤拉、合斷路器;防止帶負荷拉、合開關;防止帶電掛接地線;防止帶地線送電;防止誤入帶電間隔的功能。
配置獨立于監控系統的專用微機五防系統。遠方操作時通過專用微機五防系統實現全站的五防操作閉鎖功能,就地操作時則由電腦鑰匙和鎖具來實現,同時在受控設備的操作回路中串接本間隔的閉鎖回路。專用微機五防系統與變電站監控系統共享采集的各種實時數據,不獨立采集信息,采用相互通信的間隔層測控裝置實現。
4.5系統運行
4.5.1儀表通訊狀態
儀表通訊狀態主要用于監測目標站點的儀表設備數據是否正常交互、是否有離線發生、何時離線與數據交互中斷的持續時間等內容。

圖 企業微電網能效管理平臺設備通信界面圖
4.5.2 網關通訊狀態
網關通訊狀態主要用于監測目標站點的網關設備數據是否正常交互、是否有離線發生、何時離線。

圖 企業微電網能效管理平臺網關通信狀態界面圖
5.結語
Acrel-EMS企業微電網能耗管理平臺解決方案,通過一個平臺即可整體對用電進行集中監控、統一調度、統一運維,滿足用戶可靠、、節約、、有序用電的要求。對用戶提供運維服務,實現能源互聯,信息互通,打破信息孤島;根據用電設備負荷重要性分級管理,錯峰有序用電,提高運維人員的技能,保證電網穩定運行。